News

Modbus RS-485 Temperature Sensor Converter

April 15, 2018
Products Contacts Images
Modbus RS-485 Temperature Sensor Converter-0

Tekon specializes in custom, compact wireless solutions for a wide range of gadgets and industrial applications. One of its key products, the THM501 transducer, provides high-precision temperature measurement and reliable Modbus RTU communication.

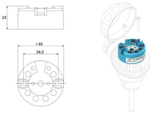
THM501 Transducer Overview

The THM501 is a high-precision transducer that supports PT100 input (2, 3, or 4-wire sensors) and operates as a Modbus RTU slave. This allows for seamless integration into industrial monitoring systems, providing accurate and efficient temperature data transmission.

Configurable Parameters

Users can configure multiple parameters of the THM501, including:

  • PT100 sensor type (2, 3, or 4-wire)
  • Temperature unit (Celsius or Fahrenheit)
  • Modbus communication settings

Configuration is performed using the free TekOn Configurator software, enabling users to easily adjust and monitor the transducer’s performance from a computer.

Technical Specifications

Specification Details
Input PT100 (2, 3, 4-wire)
Output Modbus RTU Slave
Measurement Accuracy High precision throughout the measuring range
Sensor Cord Length Compensation Yes
Measuring Range -200°C to +850°C
Power Supply 24V DC ± 1%

Key Advantages

  • Compact design fits temperature sensor heads
  • Free TekOn Configurator software
  • Compatible with 2, 3, and 4-wire PT100 sensors
  • Easy-to-use configuration program
  • Real-time sensor connection and monitoring
  • Reliable industrial-grade performance

 

Products
THM501PT100
Code: THM501PT100
On site: 5+ pcs On site: 0

Supplier: TBC

89.00 EUR
75.65 EUR (w/o VAT)
200000590
Code: 200000590
On site: 2 pcs On site: 0

Supplier: TBC

52.50 EUR (w/o VAT)
Contact the manager
Juris Vuškāns
Juris Vuškāns
Industrial Sensor Specialist
+371 2411 0541
juris@lasma.eu
Galery
Downloads

Tekon_Configurator_v1_22 (ZIP)