News

What is frequency converter?

June 14, 2023
Products Contacts Images
What is frequency converter?-0

As global electricity demand continues to grow—expected to double in the next two years—energy-efficient solutions are more important than ever. One proven solution is the frequency converter, a device widely used to reduce energy consumption in electric motor-driven systems.

At ZTF Lāsma, we often meet clients who are curious about how frequency converters work and where they can be used. This article explains the core principles, applications, and benefits of frequency converters, helping you make smart and cost-effective decisions.

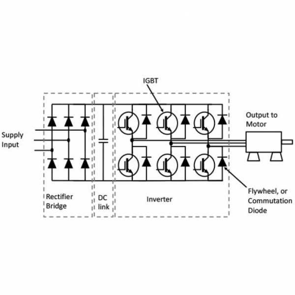
What is a frequency converter?

A frequency converter is an electronic device that changes the frequency of electrical current. In simple terms, it converts one frequency (usually from the grid) into another, making it possible to control the speed of electric motors.

The frequency conversion process typically involves three stages:

  • Rectification - Converts alternating current (AC) to direct current (DC).
  • Filtering - Smooths out the DC signal.
  • Inversion - Converts DC back into AC at a different frequency.

How do frequency converters work?

The main component in a frequency converter is the inverter, which allows precise control over the output AC frequency. Modern converters use IGBT (Insulated Gate Bipolar Transistor) switches to control the direction and flow of current to the motor.

By turning these switches on and off rapidly, a three-phase AC output is generated. The motor speed is then controlled using PWM (Pulse Width Modulation), which adjusts the duration and timing of current pulses. This allows for:

  • Smooth motor operation
  • Accurate speed regulation
  • Significant energy savings

Where is the frequency converter used?

Frequency converters are critical in applications that require precise motor control, energy efficiency, and system protection. They are used across a wide range of industries to adjust motor speed, reduce mechanical stress, and improve operational performance.

Whether it's industrial automation, water management, building systems, or agricultural technology—frequency converters (also known as VFDs) optimize energy use and extend the lifespan of electric motors.

Typical use cases

Industrial Applications

In industrial environments, frequency converters help maintain consistent speed, prevent mechanical wear, and reduce energy costs.

Common applications:

  • Conveyor belts – adjust speed depending on product flow
  • Mixers & agitators – control torque for blending or stirring processes
  • Cranes & elevators – smooth acceleration and deceleration
  • Machine tools – precision control for drills, mills, and lathes
  • Packaging machines – synchronize motor speeds for labeling and sealing
  • Industrial robots – coordinated multi-axis motion
  • Compressors – reduce idle-time energy loss

Benefit: Improved safety, reduced maintenance, and flexible production control.

Pump Control & Water Systems

Controlling pump speed is essential in fluid dynamics. Frequency converters enable flow regulation without mechanical throttling, which greatly improves efficiency.

Common applications:

  • Dosing pumps – precise chemical injection in manufacturing or water treatment
  • Deep well & borehole pumps – soft start reduces water hammer
  • Portable and emergency pumps – adaptable operation in varying conditions
  • Irrigation systems – match flow rate with crop needs
  • Swimming pools, fountains, spas – quiet, efficient circulation

Benefit: Lower energy consumption and longer pump life due to reduced stress on startup.

Fan and HVAC Systems

In building management and ventilation, frequency converters ensure comfort while reducing operational costs.

Common applications:

  • Air handling units (AHUs) – maintain airflow based on occupancy
  • Exhaust and supply fans – speed control for optimal air exchange
  • Air curtains – respond to door openings or sensor inputs
  • Steam extractors – controlled extraction for kitchens or labs
  • Combustion air fans – regulate burner airflow in heating systems
  • Cooling towers – adjust fan speed based on temperature

Benefit: Significant energy savings and improved indoor air quality.

Agriculture & Food Production

In the agriculture sector, frequency converters help automate and optimize equipment.

Common applications:

  • Grain dryers – control fan and drum speeds
  • Feed conveyors – prevent spillage and overloading
  • Milking machines – gentle, adjustable suction
  • Climate control systems – manage temperature and humidity in greenhouses

Commercial & Public Buildings

In hotels, offices, shopping centers, and public infrastructure, frequency converters contribute to smart building technologies.

Common applications:

  • Escalators – speed control based on usage
  • Lift systems – smooth start/stop motion
  • Chillers and HVAC – variable compressor speeds
  • Energy recovery systems – integration with solar or battery systems

What types of frequency converters are there?

ZTF Lāsma partners with Invertek Drives to offer a wide range of frequency converters for every application:

  • Optidrive E3 – Universal control for all motor types (0.37 – 37 kW)
  • Optidrive P2 – High-performance drive for demanding applications (0.75 – 250 kW)
  • Optidrive Eco HVAC – Energy-efficient fan control (0.75 – 250 kW)
  • Optidrive Eco Pump – Smart pump control solutions (0.75 – 250 kW)
  • Optidrive Elevator – Smooth, reliable elevator operation (0.75 – 37 kW)

Each series is available in various protection classes (IP20, IP55, IP66), depending on environmental needs such as dust or moisture resistance.

Learn how to choose the right frequency converter in our article:
5 Steps to Find the Right Frequency Converter

Why Choose Frequency Converters?

The choice of using a frequency converter pays off quickly. On average, companies that integrate frequency converters report 30%–50% electricity savings annually.

Beyond energy efficiency, they also benefit from:

  • Extended equipment lifespan
  • Reduced maintenance costs
  • Better motor performance

Whether you’re upgrading an existing system or building new, our specialists at ZTF Lāsma will help you select the most efficient and cost-effective solution.

Explore More About Frequency Converters

Products
ODE32400953F42
Code: ODE32400953F42
On site: 5+ pcs On site: 0

Supplier: TBC

405.27 EUR
324.22 EUR (w/o VAT)
ODE31200701F12
Code: ODE31200701F12
On site: 5+ pcs On site: 0

Supplier: TBC

208.78 EUR (w/o VAT)
ODE33401803F42
Code: ODE33401803F42
On site: 5+ pcs On site: 0

Supplier: TBC

654.39 EUR (w/o VAT)
ODE33401403F42
Code: ODE33401403F42
On site: 5+ pcs On site: 0

Supplier: TBC

577.20 EUR (w/o VAT)
ODE34404603F42
Code: ODE34404603F42
On site: 2 pcs On site: 0

Supplier: TBC

1577.20 EUR (w/o VAT)
Contact the manager
Mārtiņš Kāns
Mārtiņš Kāns
Head of Project Department
+371 2910 0172
martins@lasma.eu
Galery