News

Fluid level control with Elko EP

November 1, 2023
Products Contacts Images
Fluid level control with Elko EP-0

ELKO EP is one of the world's leading manufacturers of electronic equipment for residential, office and industrial automation. We have been supplying the world over for the past 25 years; our main domain is primarily relays, but we also supply wireless products and IoT products. But we're not just focused on products; we also propose comprehensive and highly effective solutions.

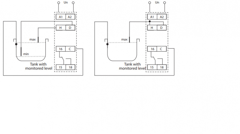
Description:

  • Relay is designed for monitoring levels in wells, basins, reservoirs, tanks,...
  • In one device you can choose the following confi gurations:
    - One-level switch of conductive liquids (by connecting H and D).
    - Two-level switch of conductive liquids.
  • One-state device monitors one level, two-state device monitors two levels (switches on one level and switches off on another level).
  • Adjustable time delay on the output (0.5 - 10s).
  • Sensitivity adjustable by a potentiometer (5 - 100 kΩ).
  • Measuring frequency 10 Hz prevents polarization of liquid and raising oxidation of measuring probes.
  • Galvanically separated supply voltage UNI 24 to 240 V AC/DC.

Technical Parameters

  • Output: 1x CO, 8 A
  • Sensitivity: 5-100 kΩ
  • Number of functions: 2
  • Housing: 1-MODULE 
  • Supply voltage (frequency): 24-240 V AC/ DC (AC 50/60 Hz) 
  • Dimensions: 90 x 17.6 x 64 mm (3.5˝ x 0.7˝ x 2.5˝)

Of course, we offer a lot of solutions to level control for your automation projects.

 

If you need a fluid level control with Elko EP, contact ZTF Lāsma specialists who will help you find the most suitable and cost-effective solution. We are here to support!

 

Products
EEP-9283
Code: EEP-9283
On site: 5+ pcs On site: 0

Supplier: TBC

36.25 EUR
29.00 EUR (w/o VAT)
EEP-209970800003
Code: EEP-209970800003
On site: 5+ pcs On site: 0

Supplier: TBC

8.40 EUR (w/o VAT)
CNP18F30M
Code: CNP18F30M
On site: 5+ pcs On site: 0

Supplier: TBC

52.41 EUR (w/o VAT)
CNP18F10M
Code: CNP18F10M
On site: 4 pcs On site: 0

Supplier: TBC

45.53 EUR (w/o VAT)
EEP-209970800001
Code: EEP-209970800001
On site: 0 pcs On site: 0

Supplier: TBC

6.88 EUR (w/o VAT)
Contact the manager
Mārtiņš Kāns
Mārtiņš Kāns
Head of Project Department
+371 2910 0172
martins@lasma.eu
Galery