Новости

Пускатели звезда - треугольник

8 сентября, 2023
Продукты Контакты Изображения
Пускатели звезда - треугольник-0

Для управления энергией и сокращения потерь электроэнергии на участке управления переменным током на начальном этапе напряжение преобразуется в высокое напряжение. Это напряжение преобразуется достаточно много раз, чтобы быть пригодным для каждого потребителя. Следует подчеркнуть, что все электрические системы, которые производят, управляют и распределяют электрическую энергию потребителям, являются трехфазными системами переменного тока. Один из наиболее доступных электромеханических пусковых устройств с пониженным напряжением, которые можно использовать, это пускатель звезда-треугольник.

Именно о таких компонентах электроавтоматики мы и поговорим в этой статье.

Возможности применения звезда-треугольник

Применение пускателя звезда-треугольник широко распространено для запуска трехфазных электродвигателей. Пускатели звезда-треугольник соединяет электродвигатель в звездообразной конфигурации при запуске. Когда электродвигатель достигает номинальной скорости, он переключается на треугольник.

Что такое соединение звездой?

Cоединение звездойВ электроэнергетических схемах часто используется графическое обозначение соединение звездой. При подключении трехфазного электродвигателя в соединение звездой, концы обмоток мотора соединяются в одной точке, и к началу обмоток подводится трехфазное напряжение.

 

 

Что такое соединение треугольником?

Cоединение треугольникомВ схемах подключения электродвигателей, пусковых устройств и мягких пусковых устройств часто встречается графическое обозначение соединения треугольником. Соединения треугольником также называется delta-connection. Это соединение, при котором концы обмоток мотора соединены последовательно, без нейтральной точки.

 

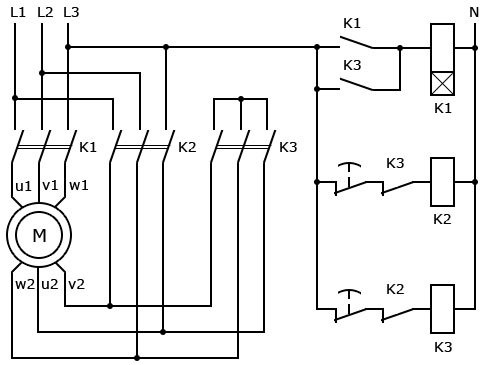
Схема звезда-треугольник

Схема звезда-треугольникСначала через магнитный контактор K1 подается трехфазное напряжение на концы U1, V1 и W1. В то же время срабатывает магнитный контактор K3, который соединяет концы U2, V2 и W2 между собой. Таким образом, электродвигатель подключается по схеме "звезда".

После некоторого времени срабатывает реле времени, которое комбинируется с контактором запуска K1. Временное реле отключает контактор K3 и включает K2. Контактор K2 подает напряжение на концы U2, V2 и W2 мотора. Таким образом, электродвигатель подключается по схеме "треугольник".

Основные преимущества схемы звезда-треугольникa

Пускатели звезда-треугольник используются для снижения пускового тока электродвигателя без использования дополнительных устройств и оборудования. Одним из основных преимуществ пускателя звезда-треугольник является снижение пускового тока на 2/3. Однако следует учитывать, что в момент запуска номинальный крутящий момент составляет 1/3 от номинального значения. Кратко о пускателях звезда-треугольник:

  • не требуется дорогостоящее и сложное оборудование;
  • пускатель не нагревается, не требуются переключающие устройства;
  • пусковое значение тока составляет 1/3 от номинального;
  • генерирует большой крутящий момент.

В ассортименте продукции ZTF Lāsma доступны различные треугольник-звезда стартеры от таких производителей, как Siemens, Schrack и Schneider Electric.

Современные решения и альтернативы

Следует признать, что использование пускателей звезда-треугольник является стабильным, но устаревшим решением. В течение многих лет на рынке доступны гораздо более современные решения, такие как устройства плавного пуска или частотные преобразователи. Ниже вы найдете немного больше информации о них.

Пуск двигателей через устройство плавного пуска "softstarter" значительно снижает момент нагрузки. Это помогает избежать перегрузки по току и падения напряжения в сети. Приведем несколько основных преимуществ мягких пусковых устройств:

  • Мягкий пуск продлевает срок службы двигателя;
  • Снижает гармоники (шум) и нагрузку на сеть;
  • Регулируемое ускорение и замедление.

Пуск двигателей с помощью частотного преобразователя - современный и эффективный способ пуска, особенно когда необходимо контролировать скорость вращения электродвигателя в широком диапазоне. Ниже укажем еще несколько преимуществ частотных преобразователей:

  • Снижает энергопотребление;
  • Увеличивает срок службы и интервалы обслуживания оборудования;
  • Обеспечивает дистанционное управление;
  • Широкий диапазон регулирования и мощности.

 

Другие статьи и видеоматериалы о устройство плавного пуска и частотных преобразователях:

Продукты
LC3D09AP7
Код: LC3D09AP7
На месте: 0 шт. На месте: 0

У поставщика: Требуется уточнить

353.71 EUR (без НДС)
LC3D18AP7
Код: LC3D18AP7
На месте: 0 шт. На месте: 0

У поставщика: Требуется уточнить

432.56 EUR (без НДС)
3RA2415-8XF31-1BB4
Код: 3RA2415-8XF31-1BB4
На месте: 0 шт. На месте: 0

У поставщика: Требуется уточнить

464.00 EUR (без НДС)
3RA2423-8XE32-1BB4
Код: 3RA2423-8XE32-1BB4
На месте: 0 шт. На месте: 0

У поставщика: Требуется уточнить

833.00 EUR (без НДС)
LTY02233
Код: LTY02233
На месте: 0 шт. На месте: 0

У поставщика: 8 шт..

300.67 EUR (без НДС)
LTY14533
Код: LTY14533
На месте: 0 шт. На месте: 0

У поставщика: 19 шт..

450.82 EUR (без НДС)
Свяжитесь с менеджером
Mārtiņš Kāns
Mārtiņš Kāns
Руководитель отдела проектов
+371 2910 0172
martins@lasma.eu
Галерея