Новости

NPT4 КОМПАКТНЫЙ ТЕМПЕРАТУРНЫЙ ПЕРЕДАТЧИК

9 июля, 2020
Продукты Контакты Изображения
NPT4 КОМПАКТНЫЙ ТЕМПЕРАТУРНЫЙ ПЕРЕДАТЧИК-0

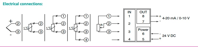
NPT4 - это универсальный датчик температуры в корпусе для монтажа на DIN-рейку шириной 6 мм. Устройство предназначено для преобразования измерительного сигнала от ТС или 2-, 3- или 4-проводного RTD в стандартный сигнал 4-20 мА или 0 (2) -10 В. Датчик температуры обнаруживает ошибки в случае поломки датчика, а его вход защищен от короткого замыкания. Цепь питания защищена от обратной полярности. Поддерживается широкий спектр RTD и TC. NPT4 настраивается через интерфейс USB.

handrelayhandrelay
EtherCATrelayDIN rail mountingEtherCAT
 

Функции и особенности:

Поддержка широкого спектра RTD и TC
2-, 3- или 4-проводное соединение
Аналоговый выход 0-5 мА, 0 (4) -20 мА, 0 (2) -10 В
Рабочая температура -40… 70 ° С
Высокая надежность
Высокая точность и разрешение
Настройка через встроенный USB-порт

Технические характеристики:

 
Источник питания 24 (10...36) V DC
Потребляемая мощность, max. 1.5 W
Гальваническая развязка 1500 V
Интерфейс ПК microUSB (USB2.0 Full Speed)
Аналоговый вход 1
Аналоговый выход 1
Аналоговый выход 0-5 mA, 0(4)-20 mA, 0-5 V, 0(2)-10 V
Разрешение ЦАП 12 bit
точность TC 0.50%
  RTD 0.25%
Разрешение АЦП 15 bit
Температура окружающей среды -40...+70 °C
IP-код IP20
Размеры 6,1 x 113 x 115 мм
вес

ок. 200 г

Области применения:

NPT4 предназначен для универсального использования в промышленности. Эти датчики температуры могут применяться ко всем системам автоматизации, в которых используются различные типы датчиков температуры, и выходные сигналы должны быть преобразованы в стандартные сигналы тока или напряжения. Поддерживаются все распространенные типы термопар и термометров сопротивления.

Продукты
NPT4
Код: NPT4
На месте: 0 шт. На месте: 0

У поставщика: Требуется уточнить

77.00 EUR (без НДС)
Свяжитесь с менеджером
Lauris Bērziņš
Lauris Bērziņš
Генеральный директор
+371 2617 7129
lauris@lasma.eu
Галерея